• 首页
  • 新闻
    业界动态
    新品快递
    高端访谈
    AET原创
    市场分析
    图说新闻
    会展
    专题
    期刊动态
  • 设计资源
    设计应用
    解决方案
    电路图
    技术专栏
    资源下载
    PCB技术中心
    在线工具库
  • 技术频道
    模拟设计
    嵌入式技术
    电源技术
    可编程逻辑
    测试测量
    通信与网络
  • 行业频道
    工业自动化
    物联网
    通信网络
    5G
    数据中心
    信息安全
    汽车电子
  • 大学堂
  • 期刊
  • 文献检索
期刊投稿
登录 注册

新型电磁材料微带天线的综述

新型电磁材料微带天线的综述[微波|射频][通信网络]

随着无线传输产品的普及,各种设备对天线的性能要求越来越高,研制具备较高性能的天线的必要性越来越突出。新型电磁材料由于其自身的特点,能够实现一般材料所不具备的电磁特性,在高性能微带天线设计中得到了广泛的应用。同时,由于设计参数的复杂化和设计目标的多重化,全局优化算法逐渐引入到了天线设计中来,以实现对微带天线贴片和新型电磁材料结构的优化设计,大幅提升微带天线的各项性能。

发表于:2015/12/14 下午2:04:00

基于物联网技术的电梯安全管理系统

基于物联网技术的电梯安全管理系统[通信与网络][通信网络]

介绍了基于物联网技术的电梯安全管理系统。该系统采集电梯运行过程中的各种参数进行分析处理,并及时将各种信息通过无线或短信发送到后台。这将极大地提高电梯的安全系数,对于电梯的制造者与使用者都有很大的现实意义。

发表于:2015/12/13 下午7:41:00

基于WiMi-net与Qt的塔机监测防撞系统设计

基于WiMi-net与Qt的塔机监测防撞系统设计[通信与网络][通信网络]

针对传统塔机监测防撞系统中操作不便、ZigBee无线传输距离短、网络节点较多而导致时实性差等问题,提出了一种基于WiMi-net(Wireless Micro-network)无线通信模块的解决方案。利用Qt良好的交互能力与WiMi-net无线模块特性,搭建了一套传输距离远、可靠性高、实时性强的新型塔机监测防撞系统。

发表于:2015/12/13 下午7:00:00

固网漏话用户数据分析

固网漏话用户数据分析[通信与网络][通信网络]

针对固网漏话的用户数据进行数据分析,利用SPSS Clementine软件,采用聚类分析算法,分析用户数据特征,最终得到用户遇忙话务量在各时间段上的分布、各地区用户数量的统计、各地区精准用户和普通用户的ARPU值对比以及对用户的分类。根据数据挖掘的结果,运营商可以为用户提供个性化服务,提高用户满意度和忠诚度。

发表于:2015/12/13 下午6:53:00

基于停车位可用概率的停车位发现算法

基于停车位可用概率的停车位发现算法[可编程逻辑][其他]

利用车载自组网方便、灵活、成本低的特点,使用机会通信扩展车辆通信范围,提出一种基于停车位可用概率的停车位发现算法来解决分布式网络中信息不完全下的停车位发现问题。通过估算附近可用停车位在车辆到达时刻的可占用概率,为车辆分配成功率最大的停车位。仿真结果表明,该算法适用于车载自组网的分布式停车位算法,平均停车时间较短。

发表于:2015/12/13 下午6:45:00

一种实时同步监测体征和心电信号装置的设计

一种实时同步监测体征和心电信号装置的设计[嵌入式技术][通信网络]

设计了一种基于EFM32单片机的实时同步监测体征和心电信号的系统。该系统以EFM32单片机系统作为数据处理核心,以其外接的A/D进行模数转换,以CC2500无线模块作为传输平台,利用MATLAB对PC机接收到的数据进行处理并即时显示。具有简单、实时、稳定性好、智能化程度高等特点,能够全面地评估和监测心脏活动状态,有效地预测诊断心脏疾病;有助于空巢老年人日常监测、室内工作者心脏监测和评估、医院对病人睡眠质量和药物作用监测等。

发表于:2015/12/13 上午3:29:00

一种基于模糊逻辑的自适应阈值图像分割方法

一种基于模糊逻辑的自适应阈值图像分割方法[显示光电][其他]

图像是人类感知世界的视觉基础,然而在人类通过视觉获取的大量图像信息中,并不是所有的信息内容都是我们所需要的,所以需要把图像分成若干个特定的、具有独特性质的区域。本文对图像分割方法进行了研究,给出了一种基于模糊逻辑的自适应阈值图像分割方法,并将其应用于车牌图像中,在MATLAB环境下对两幅典型图像通过Otsu方法、脉冲耦合神经网络算法和本文所提算法进行仿真分析,结果对比分析显示本文方法在综合方面略优于其他两种对比方法。

发表于:2015/12/10 下午9:01:00

基于BP神经网络二维码区域提取

基于BP神经网络二维码区域提取[模拟设计][信息安全]

在复杂背景下的二维码区域定位一直是QR Code二维条码解码过程中的难题之一。二维码区域扫描定位是通过二维码的图形特点来实现,其存在扫描定位效率较低的缺点。为此提出在扫描定位之前通过图像处理结合BP神经网络实现QR Code二维码条码区域提取方法。火车票通过图像预处理得到可能是二维码的区域块,提取经图像处理后的二维码区域块图像特征并结合BP神经网络过滤出正确的二维码区域。此方法实现了寻找一幅图像中二维码区域的图像,结合二维码图形扫描定位方法,提高了二维码扫描定位的效率,得到了较好的效果。

发表于:2015/12/10 下午8:46:00

基于阈值的数字图像去噪的算法研究

基于阈值的数字图像去噪的算法研究[可编程逻辑][其他]

提出了一种基于阈值的数字图像去噪算法。该算法根据椒盐噪声的特点,通过设置阈值,当待处理像素点的灰度值与该点周围像素点的均值的差小于阈值时,该像素点不作处理,否则就用该点周围像素点的均值代替该点的值。同时,研究分析了图像去噪最佳阈值与图像的平均值、方差、熵以及复杂度之间的关系,以便为快速寻找最佳阈值提供理论根据。实验仿真表明,与其他去噪算法相比,该算法既能较好地去除噪声,同时不会使图像变得模糊。

发表于:2015/12/10 下午8:32:00

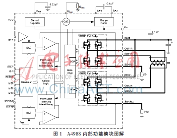
基于STM32的微型步进电机驱动控制器设计

基于STM32的微型步进电机驱动控制器设计[嵌入式技术][工业自动化]

设计了一种微型步进电机驱动控制器,通过上位机界面修改步进电机转速、旋转角度、细分系数。该设计以STM32F103T8U6作为主控制器,以A4988步进电机驱动设备,上位机串口界面作为人机接口界面,详细分析步进电机驱动设备的工作原理、各部分接口电路以及控制器设计方案。通过实物设计实现了步进电机转速、正反转任意角度和细分系数的控制,并通过精确计算步进脉冲个数实现了任意旋转角度的精确控制,该驱动控制器步进角度精度高达0.112 5度。

发表于:2015/12/10 下午8:19:00

  • <
  • …
  • 683
  • 684
  • 685
  • 686
  • 687
  • 688
  • 689
  • 690
  • 691
  • 692
  • …
  • >

活动

MORE
  • “汽车电子·2026年度金芯奖”网络投票通道正式开启!
  • “2026中国强芯评选”正式开始征集!
  • 《集成电路应用》杂志征稿启事
  • 【热门活动】2025年基础电子测试测量方案培训
  • 【技术沙龙】可信数据空间构建“安全合规的数据高速公路”

高层说

MORE
  • Develop平台打造电子研发全生命周期生态
    Develop平台打造电子研发全生命周期生态
  • 2026年,AI将给设计工程软件带来哪些变革?
    2026年,AI将给设计工程软件带来哪些变革?
  • 锚定“十五五”新蓝图筑牢时空信息“中国芯”
    锚定“十五五”新蓝图筑牢时空信息“中国芯”
  • 边缘人工智能机遇将于2026年成为现实
    边缘人工智能机遇将于2026年成为现实
  • 【回顾与展望】英飞凌:半导体与AI双向赋能
    【回顾与展望】英飞凌:半导体与AI双向赋能
  • 网站相关
  • 关于我们
  • 联系我们
  • 投稿须知
  • 广告及服务
  • 内容许可
  • 广告服务
  • 杂志订阅
  • 会员与积分
  • 积分商城
  • 会员等级
  • 会员积分
  • VIP会员
  • 关注我们

Copyright © 2005-2024 华北计算机系统工程研究所版权所有 京ICP备10017138号-2